Всякое разное :

Техника кузнечного производства у восточных славян в VIII-X вв

  автор: SHARIK  |  11-марта-2013  | 20 470 просмотров  |  Пока нет комментариев
загрузка...

Археология четко фиксирует, что в предгосударственную эпоху (VIII-IX вв.) у восточных славян происходят важнейшие сдвиги в развитии хозяйства, ремесла; существенно меняется уровень производства. В области добычи и обработки железа, которая в это время находилась на уровне развития самостоятельного ремесла, тоже происходят знаменательные перемены. Появляются центры по выплавке железа для целой округи (Бранешты I, Гайворон, Григоровка), что само по себе является признаком обособленности металлургического ремесла; объем производства растет также за счет широкого развития добычи железа и на рядовых поселениях. Железный инвентарь на славянских поселениях VIII-X вв. резко возрастает количественно. К IX в. были созданы все основные виды орудий труда, стабилизируется их форма: исследователи, описывая железный ипвентарь, констатируют выдержанную устойчивую форму сельскохозяйственных орудий труда, основных инструментов, которые сохранились и в последующих столетиях.

Технологические исследования кузнечных изделий третьей четверти I тысячелетия н. э., проведенные нами ранее, показали, что в технике восточнославянского кузнечного дела появились новые конструктивные решения, основанные на использовании наварки стальных лезвий. Новая технология в кузнечном ремесле свидетельствовала о наличии квалифицированной работы, она вела к резкому повышению производительности труда ремесленника и надолго определила пути развития техники кузнечного дела. Несомненно, что новые технические решения и технологический прогресс в области металлургического и кузнечного производства определяли возможности поступательного развития всей экономики славянского общества.

По-прежнему, как и для более раннего времени, технологическое изучение кузнечной продукции дает вам наиболее полную информацию о состоянии кузнечного ремесла у славян в последние века I тысячелетия н. э. Настоящая работа, выполненная в физико-химической лаборатории Института археологии АН УССР, представляет результаты изучения коллекции кузнечных изделий из раскопок городища у с. Горналь Суджанского р-на Курской обл. Городище принадлежит к памятникам роменской культуры; как и большинство подобных ему славянских поселений, городище у с. Горналь прекратило существование в конце X в.

Изделия из железа составляют при раскопках роменских памятников существенную и одну из наиболее интересных групп находок. Характерно, что в коллекциях кузнечных изделий значительно возрос удельный весь орудий производства и промыслов, инструментов, оружия. Таких видов кузнечных изделий (по публикациям и коллекциям) насчитывается около трех десятков: наральники, чересла, мотыжки, серпы, косы, топоры, тесла, долота, стамески, ложкари, скобели, сверла, наковальни, зубила, пробойники, кузнечные клещи, пинцет, ножницы по металлу, ножи, ножницы, шилья, рыболовные крючки, пешни, остроги, наконечники стрел, наконечники копий, мечи, кресала, бабки для отбивания кос. Тогда как для раннеславянских памятников ассортимент (количество видов) кузнечных изделий вместе с предметами быта, мелкими кузнечными поковками, деталями костюма, сбруи и домашней утварью, которые превалировали в коллекции, составлял только около четырех десятков наименований.

Исследованная коллекция из Горнальского городища состоит из 70 изделий: это подавляющая часть всех найденных при раскопках железных предметов. Для изучения были отобраны — из орудий сельского хозяйства и промыслов: 8 серпов, 2 косы, одна острога, рыболовный крючок; инструменты: 6 топоров, тесло, скобель, тесло-мотыжка, стамеска, зубильце, ножницы, шило, ножей 35. Из оружия: 7 наконечников стрел, наконечник копья, два предмета неопределенного назначения. Следует заметить, что несколько экземпляров серпов и кос, отобранных на исследование, оказались непригодны для анализа из-за плохой сохранности металла.

Авторы раскопок отмечают обилие железных изделий особенно в верхних слоях памятника, датируемых второй половиной X в. Помимо богатой коллекции железных изделий есть свидетельства о наличии на поселении производственного помещения, служившего, по-видимому, кузницей: здесь найдены среди прочих железных вещей прекрасной сохранности наковальня с размерами рабочей площадки 6,5х7 см и зубило.

Технологическое изучение железных изделий Горнальского городища проводилось по методике, разработанной Б. А. Колчиным. Цель исследования состояла в выяснении техники и технологии кузнечного производства, уровня производительности труда и специализации кузнечного ремесла у славянского населения роменской культуры. Кроме того, опубликованный в советской и зарубежной литературе аналогичный аналитический материал позволяет представить достижения восточнославянских кузнецов в динамике их развития и на широком сравнительном фоне.

Структурное изучение коллекции показало, что технологические схемы рассмотренных изделий укладываются в пять основных вариантов (рис. 1 и 2). Около 54% (38 изделий) составляют предметы, которые откованы целиком из крианого железа или мягкой, неравномерно наугле-роженной так называемой сырцовой стали. Это простейшая технологическая схема, кузнечные операции здесь ограничиваются приемами свободной ковки. Иногда при изготовлении некоторых предметов сложной формы (например, топоры) использовалась кузпечная сварка металла. Но в данном случае в группе изделий цельножелезных или из мягкой стали эта сварка производилась с металлом одинакового состава. Такой техникой изготовлены: ножей 21, наконечников стрел 4, топоров 3, серпов 2, коса, шило, рыболовный крючок, острога, зубильце. Ножи откованы преимущественно из стали и термически обрабатывались: закаливался или клинок целиком, или только лезвие. Следует иметь в виду, что в данной группе изделий всегда имеются такие, которые могли утратить имевшиеся следы дополнительных технологических операций, улучшавших рабочие качества железного предмета.

кузнечные изделия древних славян
Рис. 1. Технологические схемы кузнечных изделий. Номера схем соответствуют номеру анализа. 1 — железо; 2 — сталь; 3 — термически обработанная сталь

Близка по технологической характеристике к рассмотренным предметам группа изделий, откованных целиком из однородной среднеуглеродистой или высокоуглеродистой стали, несомненно полученной путем цементации железного полуфабриката. Из такого металла откованы два серпа (ан. 906, 923), коса (ан. 911, рис. 1) и 6 ножей (ан. 915, 924, 935, 936, 944, 949, рис. 2). Почти все эти изделия были закалены, кроме косы, серпа (ан. 913), ножа (ан. 915), который мог утерять следы термообработки из-за длительного пребывания в огне. Проводилась термическая обработка, как всего предмета, (ан 908), так и рабочей части.

кузнечные изделия древних славян
Рис. 2. Технологические схемы кузнечных изделий. Условные обозначения см. рис. 1

Получение больших объемов высококачественной цементованной стали и в средневековье было проблемой. По-прежнему значительная часть предметов (орудий труда или инструментов) проходила операцию цементации с целью создания стального слоя преимущественно на рабочей части изделий. Среди рассматриваемой нами серии кузнечных поковок шесть преметов изготовлены с применением поверхностной цементации всего изделия: серпы, ан. 908 и 913; либо со сквозной цементацией лезвия (локальная цементация): топоры, ан. 905, 957, 968; серп, ан. 909 (рис. 1). Все изделия, основу технологий изготовления которых составляет цементация, были термически обработаны. Преобладает местная термообработка: закалка только лезвий инструментов. Целиком закален лишь один серп (ан. 908), у другого следов тепловой обработки не сохранилось (ап. 913). Лезвие топора (ан. 967) было закалено на сорбит, в мягкой закалочной среде (рис. 3, 2). Как видим, цементация (древнейший способ улучшения рабочих качеств железных инструментов) еще довольно употребительна в кузнечном производстве славян конца I тысячелетия н. э. Заметим, что цементация готовых изделий употреблялась при изготовлении только очень ответственных орудий труда – серпов и топоров.

Наиболее прогрессивным, требующим высоких профессиональных навыков и мастерства, является способ сварки железа и стали в одном предмете как основа технологической схемы изделия. Этот технологический прием достаточно представителен в коллекции: 8 предметов (11% всех изученных). Все предметы относятся к верхним слоям городища. 4 ножа (ап. 918, 939, 943, 946), найденных на раскопе 12 (3 экз.) и па раскопе 9 (1 экз.), откованы по классической древнерусской схеме трехслойного пакета: в центре клипка с выходом на лезвие идет стальная полоса, по бокам ее — железные полосы (рис. 2). Сварка полос выполнена отлично, сварочные швы чистые и тонкие. Два ножа были закалены в холодной воде, что дало наивысшую твердость клинку; два пожа не сохранили следов тепловой обработки (рис. 3, 5).

Одинаковую технологию изготовления имеют наконечник стрелы (ан. 951) и наконечник копья (ан. 971): на железную поверхность пера наконечника наваривалась стальная полоса. Сварка произведена хорошо. Была ли сознательная тепловая обработка (как технологический прием), сказать трудно; судя по микроструктуре, можно предположить длительное пребывание в огне (пожаре?) наконечника копья (рис. 2).

На рабочей части стамески (ан. 972) мы наблюдаем косую боковую наварку стальной полоски-лезвия. Инструмепт был закален, по-видимому, в мягкой закалочной среде (рис. 1).

Скобель (ан. 966, рис. 1) имел настолько твердое лезвие, что выпил пробы окапался чрезвычайно затруднителен. Выломан был кусочек лезвия на структурное исследование. Проба показала структуру закаленной высокоуглеродистой стали. Судя по тому, что спинка скобеля была мягкой (проба иапильником) и, кроме того, при макротравленпи изделия была выявлена темная полоса на режущей его части, мы сделали заключение о наварке стального лезвия на железную основу инструмента с последующей закалкой.

К группе сварных изделий примыкают по технике исполнения изделия, откованные из пакетного металла, – 6 экз. (9% изученных). Однако мы не можем утверждать, что при изготовлении этих изделий мастер производил сознательный подбор железных и стальных полос. Микроструктура исследованных проб свидетельствует, что данные изделия откованы из металлического лома, прошедшего определенную систему кузнечной обработки.

Из пакетного многослойного металла откованы серп (ан. 907), два ножа (ан. 912 и 927), наконечник стрелы (ан. 953) и два тесла (ан. 956 и 969) (рис. 1, 2). Серп и тесло (ан. 956) имели закаленные лезвия.

Три ножа из коллекции (ан. 945, 950, 962) откованы также из вторично использованного металла (лома), но специальной кузнечной обработке не подвергавшегося, в силу чего расположение железных и стальных участков на поперечном сечении клинка беспорядочное.

Техника кузнечного производства у восточных славян в VIII-X вв
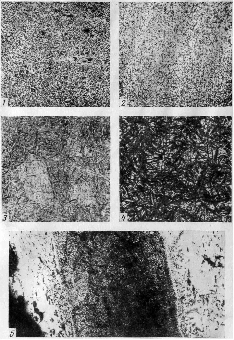
Рис. 3. Микроструктуры кузнечных изделий: 1 — топор, феррито-перлитная структура, ан. 964, ув. 70; 2 — топор, мягкая закалка лезвия, ан. 967, ув. 200; 3 — топор, закалка лезвия на мартенсит, ан. 905, ув. 200; 4 — нож, закалка клпнка на мартенсит, ан. 936, ув. 200; 5 — нож, трехслойпьш клинок, в центре стальная полоса, ан. 946, ув. 70

Итак, соотношение между технологическими вариантами в рассмотренной коллекции кузнечных изделий по сравнению с раннеславянской кузнечной продукцией заметно меняется. Если среди кузнечных изделий VI – начала VIII в. около 80% составляли предметы, откованные простейшим способом из наиболее дешевого и доступного сырья – железа и сырцовой стали, то среди изученных предметов Горнальского городища они составляют около 54%. Идет увеличение той группы изделий, в технологии изготовления которых используется цементация полуфабриката (получение высокоуглеродистой цементованной стали), цементация готовых изделий, сварка железа и стали в одном предмете как основа технологической схемы.

Что касается сварных изделий, то несколько предметов представляют встречавшуюся в кузнечной технике более раннего времени двухполосную сварку (железо и сталь) в одном изделии, когда стальная полоса идет вдоль режущей части инструмента или орудия. Но качественно новую технологию по сравнению с предшествующими в данной коллекции представляет трехслойный клинок у ножей (ан. 918, 939, 943, 946, рис. 2). Эта технологическая схема чрезвычайно характерна для кузнечной продукции древнерусского городского ремесла, а также для городского ремесла других славянских земель в X-XI вв. Можно предположить, что эти ножи были изготовлены в специализированных ремесленных мастерских города или ремесленного центра и попали на поселение в результате торгового обмена.

Не менее важным показателем развития кузнечного производства является соотношение типологии и технологии качественных кузнечных изделий. Если к концу I тысячелетия н. э. определились основные их типы, то технологическое разнообразие в пределах одного типа продолжает существовать, как и в кузнечном производстве более раннего времени. Знаменателен в этом отношении клад серпов из раскопа 11-Г па городище Горналь: четыре исследованных клинка, почти идентичных по форме и размеру, имеют совершенно различную технологию изготовления (ан. 906, 907, 908, 909, рис. 1). Отсутствие стандартизации технологических схем изготовления в рамках одного вида кузнечной продукции – наиболее характерная черта общинного универсального кузнечного ремесла.

По-видимому, несмотря на то что кузнечная обработка железа и ювелирное ремесло у славян в VIII-X вв. существовали как самостоятельные отрасли хозяйства, в условиях общинного производства с его узким рынком сбыта, они были тесно связаны между собой и в зависимости от конкретных условий могли находиться в руках одного специалиста. К такому мнению пришел И. И. Ляпушкин, изучая материалы Новотроицкого городища, и у нас нет оснований не согласиться с ним. На городище Горналь также зафиксированы четкие следы как железообработки, так и ювелирного дела, но нет конкретных данных об их полном разделении. Скорее наоборот: в предполагаемой кузнице наряду с кузнечными изделиями найден инструментарий – наковальня и зубильце, которые по своим размерам могли быть ювелирными.

Несомненно, что при таких обстоятельствах ремесленное производство роменских городищ обслуживало конкретных заказчиков, а товарное производство у восточных славян делало лишь первые шаги. Товарные формы быстрее приобретало железодобывающее производство. Свидетельством развития внутренней торговли железом как сырьем на славянских землях являются находки заготовок – полуфабрикатов разной формы. Наиболее известны из них заготовки в виде топоров, найденные на территории Великоморавского государства.

Качественно новый этап в развитии кузнечного производства связан с возникновением городов – центров сосредоточения ремесла. С появлением городского феодального производства происходит не только дальнейшая дифференциация ремесла, но и узкая его специализация. Этому новому этапу в развитии металлообрабатывающего производства соответствуют и новые технические возможности, совершенные технологические операции, рост производительности труда. В условиях феодального города окончательно оформится типичный средневековый характер ремесла с регламентацией производства и зачатками ремесленных организаций.

Технологическое изучение железного и стального инвентаря в конечном итоге позволяет нам представить сложный процесс развития кузнеч-пого ремесла. Основные тенденции его поступательного развития на славянских землях в I тысячелетии н. э. были одинаковы.

 

Источник: Вознесенская Г.О. Техника кузнечного производства у восточных славян в VIII-X вв. // Советская Археология. - 1979. - № 2.

загрузка...
  Голосов: 6
 

Ножи и кинжалы Руси Киевской, перейти
Рабочие инструменты, смотреть
Топоры, смотреть

Вы просматриваете сайт Swordmaster как незарегистрированный пользователь. Возможность комментирования новостей и общение на форуме ограничено. Если всего-лишь нашли ошибку и хотите указать о ней — выделите её и нажмите Ctrl+Enter. Для того чтобы пользоваться полным функционалом сайта и форума, рекомендуем .

Информация
Посетители, находящиеся в группе Прохожие, не могут оставлять комментарии к данной публикации.